行業新聞您當前的位置:首頁 》 新聞資訊 》 行業新聞
插裝閥是什么
點擊數:63452021-08-27 18:25:52
新聞摘要:插裝閥是插裝閥與我們所說的普通液壓控制閥有所不同,它的通流量可達到1000L/min,通徑可達200~250mm。閥芯結構簡單,動作靈敏,密封性好。
插裝閥是插裝閥與我們所說的普通液壓控制閥有所不同,它的通流量可達到1000L/min,通徑可達200~250mm。閥芯結構簡單,動作靈敏,密封性好。它的功能比較單一,主要實現液路的通或斷,與普通液壓控制閥組合使用時,才能實現對系統油液方向、壓力和流量的控制。
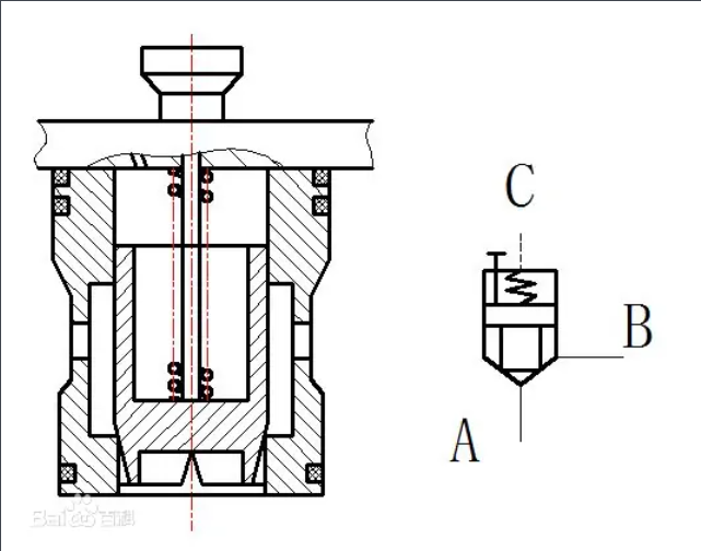
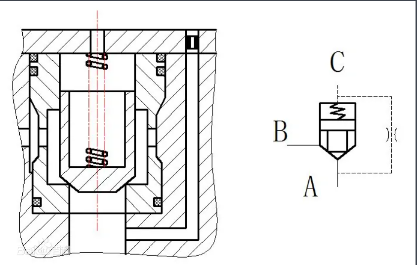
插裝閥基本組件



組件由閥芯、閥套、彈簧和密封圈組成。根據用途不同分為方向閥組件、壓力閥組件和流量閥組件。同一通徑的三種組件安裝尺寸相同,但閥芯的結構形式和閥套座直徑不同。三種組件均有兩個主油口A 和B、一個控制口x 。
【責任編輯:上海迪非機電科技有限公司】(Top) 返回頁面頂端






